
地 址:蘇州市姑蘇區廣濟南 路258號百腦匯科技中心817室
電 話:0512-6222299918001559999
傳 真:0512-58555222
聯系人:高R
郵 箱:michael.gao@dsfuse.com

汽車保險絲座
汽車保險絲座是指安裝汽車保險絲的座子,汽車上各種零部件和電子設備都安裝有保險絲,保險絲一旦出現問題,那么是會影響汽車的使用性能的。所以,平時一定要保養好汽車保險絲座,這樣能夠讓保險絲長久高效地為我們服務。那么,汽車保險絲座要如何保養呢?
汽車保險絲座特別多,為了方便維修,通常的情況下都是放在保險絲盒中,一般情況下是不需要專門去保養的。但是一定要注意不能把保險絲盒蓋弄丟了,如果保險絲暴露在外面了,這樣就容易發生保險絲短路了。
這個時候如果打算覆蓋保險絲話,一定要注意,不可以隨意用其他材料代替,因為保險絲盒的材質是充分考慮絕緣和耐高溫的,換其他材料如果性能上達不到這樣的要求,那很容易會帶來火災。
總之,汽車保險絲雖然很小,但是它在汽車的正常運行中起到了重要的作用。一定要確保保險絲的安全,只有這樣汽車才能更好發揮性能。
汽車微型插片保險絲
MINI小插片式低壓保險絲制造技術標準
一. 名稱:小號插片式保險片(MINI)。
二. 適用範圍:32V以下之直流電用保險絲。
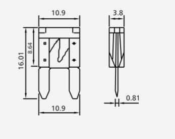
三. 產品圖樣:
四. 電器性能(熔斷時間):
Load(測試電流) | Opening time(熔斷時間) |
110% | >4h |
135% | 0.75-1800(s) |
200% | 0.15-5(s) |
五. 外觀:保險片之外觀,在使用時不得有妨害的缺點。
六. 製造材料:
部件名稱 | 材 料 |
可熔體 | 鋅、錫、銅、銀或以此為主要成份的合金 |
塑膠體 | PC塑膠 |
七. 標示:保險片的規格(額定電流)標示,印在塑膠體頂蓋上。其字體不可消失,明顯易見。其不同規格(額定電流)的顏色如下:
規格(A) | 顏色 | 規格(A) | 顏色 |
5 | 棕黃(TAN) | 25 | 透明(NATURAL) |
7.5 | 棕(BROWN) | 30 | 綠(GREEN) |
10 | 紅(RED) | 35 | 顏色以產品為準 |
15 | 藍(BLUE) | 40 | 顏色以產品為準 |
20 | 黃(YELLOW) |
顏色之近似或有變化未能告知,以產品頂蓋數字標示為準。
保險絲生產廠家,蘇州鼎時電子科技有限公司推出貼片保險絲:應用于電源、開關電源、充電器、LED驅動電源、LED燈具、球泡燈、投光燈線性方案等
如果你對我們的產品感興趣或有什么問題,歡迎來此詢價。我們將在24小時內給予答復。個人信息我們將嚴格保密。注:下表*部分為必填項
版權所有:蘇州鼎時電子科技有限公司 手機版 蘇ICP備16029630號