
地 址:蘇州市姑蘇區廣濟南 路258號百腦匯科技中心817室
電 話:0512-6222299918001559999
傳 真:0512-58555222
聯系人:高R
郵 箱:michael.gao@dsfuse.com

保險絲生產廠家鼎時電子汽車保險絲給大家介紹汽車保險絲一旦出現故障,那么是會影響汽車的正常使用的。如果學會換保險絲了,自己手動換保險絲就能夠解決問題了。那么,汽車保險絲該如何更換呢?
一、要找到保險絲盒的位置,汽車保險絲都是裝在保險絲盒里面的,一般都在中控臺靠近車門的一側或在方向盤的下方,發動機艙內的保險盒一般在車輛的發動機艙邊緣。
二、找到保險絲位置,要注意一些進口車的保險絲很多的時候都是使用英語標識,所以要提前了解。
三、找到保險絲之后,就要用各專業的工具把損壞的保險絲拔出,然后再換上新的保險絲就可以了。
以后汽車保險絲壞掉的話,大家就可以參考以上的做法了,十分的簡單,如果自己無法操作的話,可以找專業的維修人員進行。
很多都不知道汽車保險絲也叫汽車插片保險絲,汽車插片保險絲也有中號、大號、小號、微型之分,如有需要購買汽車保險絲、汽車保險絲座等找汽車保險絲生產廠家鼎時電子,可為您提供不同種類保險絲,歡迎來電咨詢了解。
ATC中插片式低壓保險絲制造技術標準介紹如下:
一. 名稱:中號插片式保險片(ATC)。
二. 適用范圍:32V以下之直流電用保險絲。
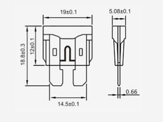
三. 產品圖樣:
四. 電器性能(熔斷時間):
Load(測試電流) | Opening time(熔斷時間) |
110% | >4h |
135% | 0.75-1800(s) |
200% | 0.15-5(s) |
五. 外觀:保險片之外觀,在使用時不得有妨害的缺點。
六. 制造材料:
部件名稱 | 材 料 |
可溶體 | 鋅、錫、銅、銀或以此為主要成份的合金 |
塑膠體 | PC塑膠 |
七. 標示:保險片的規格(額定電流)標示,印在塑料體頂蓋上。其字體不可消失,明顯易見。其不同規格(額定電流)的顏色如下:
規格(A) | 顏色 | 規格(A) | 顏色 |
5 | 棕黃(TAN) | 25 | 透明(NATURAL) |
7.5 | 棕(BROWN) | 30 | 綠(GREEN) |
10 | 紅(RED) | 35 | 紫(PURPLE) |
15 | 藍(BLUE) | 40 | 淺紅(LIGHT RED) |
20 | 黃(YELLOW) |
顏色之近似或有變化未能告知,以產品頂蓋數字標示為準。
蘇州鼎時電子科技有限公司推出汽車插片保險絲:應用于電源、開關電源、充電器、LED驅動電源、LED燈具、球泡燈、投光燈線性方案等.
保險絲生產廠家,蘇州鼎時電子科技有限公司推出貼片保險絲:應用于電源、開關電源、充電器、LED驅動電源、LED燈具、球泡燈、投光燈線性方案等
如果你對我們的產品感興趣或有什么問題,歡迎來此詢價。我們將在24小時內給予答復。個人信息我們將嚴格保密。注:下表*部分為必填項
*姓名: |
|
電子郵件: |
|
*電話: |
|
公司名: |
|
*標題: |
|
*內容: |
|
下一條:無
上一條:力特汽車保險絲
版權所有:蘇州鼎時電子科技有限公司 手機版 蘇ICP備16029630號